目前經生物處理后的焦化生化外排水的色度、COD 等還不能穩定達到GB 8978—1996 的一級指標要求,因此對其進行深度處理具有重要意義。吸附法因操作簡單、無二次污染被廣泛用于焦化廢水深度處理,活性炭是較常用的吸附劑之一。但由于活性炭價格昂貴,制約了其應用。蘭炭是煤中溫氣化的產物,粒徑較小的蘭炭因不符合生產工藝要求,只能用作低級燃料或廉價處理。由于蘭炭具有一定的孔徑分布,稍加改性就可達到較大的比表面積〔1〕,發揮類似活性炭的吸附特性。筆者采用水蒸氣高溫活化后的改性蘭炭吸附焦化生化外排水中的有機物,為工程設計和工業化生產提供基礎數據。
1 實驗部分
1.1 原料與儀器
原料取自榆林神木地區小塊徑蘭炭,其固定炭85.75%,灰分7.39%,揮發分為6.06%;實驗用水取自華中某焦化公司O/A/O 生化外排水,其水質為TOC 25~50 mg/L,COD 90~120 mg/L,pH 在5~6。儀器:Quanta 400 FEI 掃描電鏡( 荷蘭FEI 公司),Multi N/C2100 TOC/TN 測定儀( 德國耶拿),UV-Vis2450 紫外可見光譜儀(日本島津),ThermoFisher TRACE-ISQ 氣質聯用儀(美國熱電),GZX-9146MBE 電熱恒溫干燥箱(上海博訊),JJ-1 精密增力電動攪拌器(上海梅穎浦),BOY-18 水蒸氣發生器(溫州江心服飾),自制高溫反應爐。
1.2 蘭炭改性預處理
蘭炭原料的活化采用水蒸氣改性活化法〔2〕。將原料蘭炭破碎,裝入高溫反應爐,以一定的升溫速度升至900 ℃,同時開啟蒸汽發生器對蘭炭進行活化,活化時間0.5 h,然后將活化后的蘭炭冷卻至室溫,用0.5 mm 和5 mm 標準篩篩分,將過篩蘭炭用蒸餾水洗滌5~8 次,并在110 ℃下烘干5 h,冷卻備用。
1.3 實驗方法
取250 mL 焦化生化外排水置于500 mL 錐形瓶中,加入一定量改性蘭炭,用0.1 mol/L 鹽酸溶液調節pH,攪拌一定時間,靜置,取上清液測定TOC。
2 結果與討論
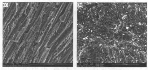
2.1 SEM 分析
圖 1(a)、(b)為原料蘭炭和改性蘭炭SEM 照片。由圖 1 可見,原料蘭炭的結構呈片層狀,表層孔結構不是很豐富,表面較平整,比表面積很小。經水蒸氣活化后,水蒸氣與蘭炭內部的碳原子發生反應,蘭炭表面變得相對粗糙,許多閉塞的小孔被打開并向里延伸,中孔的比例也相應增加,比表面積較改性前變大。

圖 1 蘭炭改性前后的SEM(500 倍)
2.2 工藝參數對改性蘭炭吸附效果的影響
2.2.1 吸附時間對吸附效果的影響
稱取5 g 改性蘭炭(粒徑0.8~5 mm)置于250 mL焦化生化外排水中,在pH=6、室溫下進行吸附,考察吸附時間對TOC 去除效果的影響。由于蘭炭對焦化生化外排水中有機物的去除是物理性吸附過程,因此,只有當吸附劑與吸附質之間有足夠的接觸時間,才能有效實現傳質分離。實驗中,隨著吸附時間的延長,出水中的TOC 逐漸降低,吸附速率逐漸減小。30 min 內對TOC 吸附速率最大,120 min 時吸附量基本達到平衡時的90%以上,300 min 時改性蘭炭對焦化生化外排水的吸附基本達到平衡。這是由于改性后蘭炭的比表面積大幅增加,有著較大比例的微孔和中孔,廢水中的有機物能很快到達活性炭表面,但隨著表面吸附活性位的減少,吸附速率逐漸減慢,吸附漸達飽和。后續靜態實驗選取120 min 為合適的靜態吸附時間。
2.2.2 pH 對吸附效果的影響
加入5 g 改性蘭炭(粒徑0.8~5 mm),室溫下吸附120 min,考察pH 對TOC 去除效果的影響,見表 1。

由表 1 可見,pH 對改性蘭炭處理焦化廢水的效果有很大影響。pH 越大,吸附效果越差,pH 越低,TOC 去除率越高。這是因為改性蘭炭同其他活性炭一樣,其表面存在一定的酸性和堿性基團〔3〕。蘭炭改性后首次用蒸餾水洗滌時,洗滌水呈較強的堿性,說明改性蘭炭表面堿性基團較多。由于焦化生化外排水中的有機物主要以疏水性芳香環類為主(如酚類),pH 較低時,這些以分子態存在的物質在水中的溶解度較大,改性蘭炭表面堿性基團得以中和,有利于吸附污染物〔4〕。廢水pH<4 時,TOC 去除率增加趨勢逐漸變慢。后續實驗調節廢水pH 在4 左右。
2.2.3 吸附劑用量對吸附效果的影響
在廢水pH=4、室溫下加入改性蘭炭(粒徑0.8~5 mm)吸附120 min,考察吸附劑用量對吸附效果的影響,結果見表 2。

從表 2 可見,改性蘭炭用量越大,TOC 去除率越高。吸附劑用量為5 g 時,TOC 去除率已達到60%。吸附劑為10 g 時,TOC 去除率可達75%以上。吸附劑>5 g 后,TOC 去除率增幅逐漸變緩,綜合考慮去除效果和經濟性,取靜態實驗最佳投加量為5 g。
2.2.4 吸附劑粒徑對吸附效果的影響
在廢水pH=4、室溫下投加5 g 改性蘭炭吸附120 min,考察改性蘭炭粒徑對吸附效果的影響,結果見圖 2。

圖 2 吸附劑粒徑對吸附效果的影響
由圖 2 可見,粒徑在0.8~5 mm 的改性蘭炭對焦化生化外排水中的TOC 都有很好的吸附效果,TOC總去除率都在50%以上,其中1~2 mm 及2~3 mm 的改性蘭炭對焦化外排水的吸附效果優于其他粒徑改性蘭炭。這是因為隨著改性蘭炭粒徑的增加,其比表面積逐漸減。磺姨m炭內部孔隙通道加長,吸附質在有限時間內難以完全深入其中,改性后形成的孔隙沒有得到有效利用;若改性蘭炭粒徑太小,蘭炭表面的部分微孔容易被水中的懸浮物堵塞,也不利于吸附的進行。因此,選擇1~2 mm 作為吸附劑最佳粒徑。
2.3 吸附過程的UV-Vis 光譜分析
分別稱取5 、10 g 粒徑為1~2 mm 的改性蘭炭,置于500 mL 錐形瓶中,各倒入250 mL 焦化生化外排水,調節廢水pH 為4 左右,在常溫下攪拌120 min,過濾后進行UV-Vis 光譜掃描,如圖 3 所示。從圖 3可見,經改性蘭炭吸附后出水在相同波長處的吸光度都較原水大幅降低,說明原水中的大部分有機物被改性蘭炭吸附。值得注意的是,出水中的UV254較原水降低很多,說明改性蘭炭對含有苯環及雙鍵的有機物吸附效果較明顯〔5〕。

圖 3 吸附過程中的UV-Vis 吸收光譜
2.4 吸附過程的GC-MS 分析
稱取改性蘭炭10 g(粒徑1~2 mm),置于250 mL焦化生化外排水中,常溫下攪拌120 min,對原水和吸附后水樣進行GC-MS 分析,見圖 4、圖 5。

圖 4 吸附前水樣GC-MS 圖譜
圖 5 吸附后水樣GC-MS 圖譜
從圖 4、圖 5 可見,原水圖譜中出峰較密集,比較出峰有機物總數與總積分面積,可粗略衡量吸附對水樣中總有機物的去除情況〔6〕。利用質譜全離子掃描模式下的總離子流圖譜,依據已有色譜圖庫進行檢索分析。對相似度在50%以上的峰進行定性分析,5.62 min 出峰的聯二苯、6.38 min 出峰的1-異丙基萘、6.59 min 出峰的二苯呋喃、7.01 min 出峰的呋喃、8.15 min 出峰的菲等在出水圖譜中已不再出現,說明這類物質已被改性蘭炭吸附。具體參見http://m.xhxdt.com更多相關技術文檔。
3 結論
蘭炭經水蒸氣活化改性后對焦化廢水生化外排水有很好的處理效果,水中的有機物濃度和種類都大幅下降?紤]到改性蘭炭與活性炭經濟性比較,后續還將開展改性蘭炭對焦化廢水深度處理的能耗分析、參數優化及吸附機理研究。


